
Bsports·必一体育(中国)官方网站专精特新|凯贤科技获评“先进企业”“高成长性总部”打印
发布时间:2024-03-29来源:凯贤科技
近日,上海市中共松江区中山街道工作委员会及松江区人民政府中山街道办事处举行优秀企业表扬答谢会暨投资项目签约大会。会上,对2023年度表现杰出的企业进行表彰鼓励,Bsports·必一体育(中国)官方网站园区企业——上海凯贤流体科技有限公司获得了“先进企业”的荣誉称号。
此外,2023年度上海凯贤流体科技有限公司还获得了松江区经济委员会颁发的“高成长性总部”的荣誉称号,认定凯贤公司具有高成长性和可持续性,且综合发展情况良好。
在2023年经济环境的压力下,上海凯贤仍然不断拓展创新,锐意进取,品质保障,得到了客户的一致认可。未来,上海凯贤将在更高的起点上推进“高质量”、“稳增长”发展,为关乎到每个人健康的制药行业贡献一份力量。

▲“先进企业”证书

▲“高成长性总部”证书
01、生物配制系统

凯贤生物配制系统立足于客户的生产工艺,提供系统定制化设计;遵循ASME BPE设计理念进行合规性设计,保证系统CIP/SIP无清洗和灭菌死角;服务客户的自动化控制需求,各项生产参数、过程数据、报警记录自动存储,确保数据完整性;结合三维设计软件,采用模块化组装,充分考虑操作维护空间,满足客户的操作习惯和整体清洁美观要求;可选BATCH批处理自动化控制,满足客户多种产品的生产需求。
02、制药用水系统

凯贤制药用水系统立足于客户的生产用水需求,采用专业的计算软件进行定制化设计,为客户提供性价比最佳的水机、储罐和分配系统;同时使用凯贤柔性化供水专利技术,使系统更安全、节能、使用寿命更长;设备采用模块化组装,质量稳定可靠,整体布局美观,便于集中管理和维护。
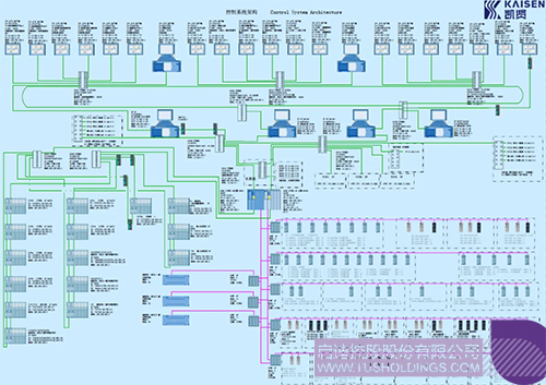
03、自动化控制系统

凯贤自动化控制系统,利用数字化和自动化控制技术,通过对生物制药设备进行集成与优化,提高生产过程的质量水平,对各环节进行监测和控制,以达到数据安全可靠、缩短产品时间、增强生产灵活性、提高产品质量、实现节能增效的目的。
04、除红锈及专业化服务

凯贤的除红锈业务选用创新的中性新型除锈剂,对工艺系统管道没有任何损伤,除锈效果好,作业快速和高效。为保证除锈和钝化效果,针对不同系统制定个性化的方案,并进行专业的除红锈操作和服务,在除红锈后对系统进行再钝化,从而大大提高不锈钢工艺系统的抗腐蚀能力,降低系统风险,延长系统使用寿命。
凯贤生物配制系统、制药用水系统、自动化控制系统、除红锈及专业化服务等产品及系统服务已在众多重点项目成功应用,并得到客户认可。
